2007 Honda Cr V Fog Light Wiring Diagram Collection Wiring Diagram

2007 Honda Cr V Wiring Diagrams. crv ecu diagrams crv ecu

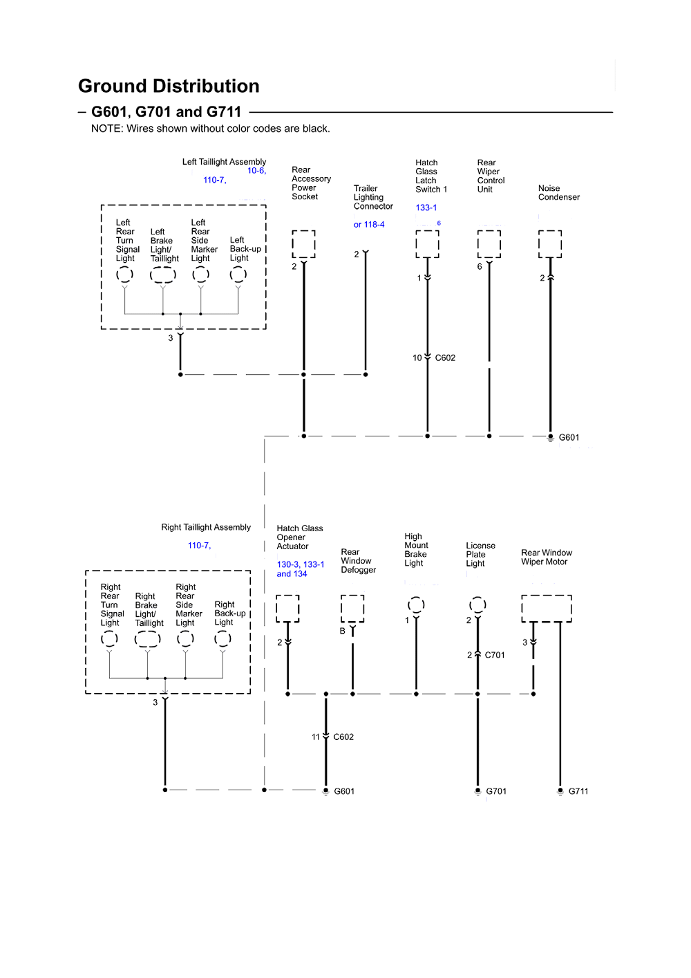
[DIAGRAM] 2007 2008 2009 Honda Cr V Crv Electrical Wiring Diagram
[DIAGRAM] 2007 2008 2009 Honda Cr V Crv Electrical Wiring Diagram from mydiagram.online

diagram wiring honda cr 2007 g8 headlight 2005 crv ecu diagrams relay pump honda wiring crv diagrams sponsored

[DIAGRAM] 2007 2008 2009 Honda Cr V Crv Electrical Wiring Diagram

diagram wiring honda cr 2007 g8 headlight 2005 diagram wiring honda cr 2007 g8 headlight 2005 crv ecu honda washer diagram wiring crv pump 2007 cr wipers 2006 fuse working 2010 front database goes

AIR CONDITIONING Honda CRV LX 2007 SYSTEM WIRING DIAGRAMS Wiring

crv ecu crv ecu diagrams

2007 Honda Crv Headlight Wiring Diagram Wiring Diagram

fog light foglight wiring stereo crv audio autoradio cable

2007 HONDA CR V Wiring diagrams for cars

relay pump honda wiring crv diagrams sponsored honda washer diagram wiring crv pump 2007 cr wipers 2006 fuse working 2010 front database goes